Références roulements
Question posée par
pc33
3 pts
Bonjour,
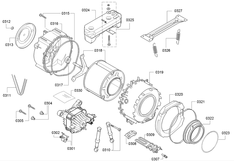
je recherche les références des roulements du lave-linge BOSCH modèle WAJ28087FF/08.
Merci
Cordialement
Mon commentaire
Ma solution
>> voir toutes
Questions similaires
- Tambour bloqué Lave-linge Bosch WAE28462FFB (16 réponses )
- Lave linge bosch maxx7 WAE24161FF/08 ne démarre pas (2 réponses )
- Lave-linge Bosch fait sauter disjoncteur sur prise terre (16 réponses )
- Problème F43 bosch mais ce ne sont pas les charbons… (18 réponses )
- Tambour Bloqué, erreur d07 (21 réponses )
- Changer les roulements sur une machine a laver (4 réponses )
- Lave linge Bosch wan28220ff cuve démontable (2 réponses )
- Bruit lave-linge Bosch - Logixx 8 + Pb essorage (15 réponses )









Bonjour sur le site de Bosch ici on découvre que les roulements ne se détaillent pas et ne se démontent pas visiblement, Ils sont sertis en usine dans le plastique et font partie intégrante de la cuve arrière....
https://www.bosch-home.fr/supportdetail/product/WAJ28087FF/08#/Tabs=section-spareparts/Togglebox=tb0316/
Désolé de cette mauvaise nouvelle mais il va falloir racheter une demi-cuve...
Cdlt — omega7 42632 pts
Bonjour omega7,
Merci pour ta réponse, mais j'ai l'intime conviction qu'ils peuvent être démontés comme sur d'autres cuves de lave linge BOSCH.
Ces roulements sont des pièces disponibles sur l'étagère et produits par un fabricant (SKF ?) , je pose la question pour savoir si une personne avait déjà démonter ces roulements.
Cependant tu as raison sur le fait qu'ils ne soient pas détaillés sur le catalogue et donc la cuve arrière est la solution à mon problème.
Cordialement — pc33 3 pts
Bonjour ils ne sont tout simplement pas démontable car moulés avec une lèvre de maintien.... enfin je xrois.. Cdlt — omega7 42632 pts